2、刻度清澈,,,,,,表盘刻度清澈,,,,,,读数方便。。。。。。手摇柄,,,,,,手摇轻松不吃力材质好;;;;;
3、多个量程,,,,,,多个量程,,,,,,满足各类丈量。。。。。。
1、丈量领域和正确度见表1
表1
|
型号 |
丈量领域 Ω |
最幼分度值 Ω |
正确度 % |
|
ZC29B-1 |
0-10 |
0.1 |
5 |
|
0-100 |
1 |
||
|
0-1000 |
10 |
||
|
ZC29B-2 |
0-1 |
0.01 |
|
|
0-10 |
0.1 |
||
|
0-100 |
1 |
2、辅助接地电阻影响扭转量,,,,,,当辅助接地电阻由500Ω扭转至表2划定值时,,,,,,其允许扭转量不应超过其表中划定值。。。。。。
表2
|
辅助接地电阻(Ω) |
0 |
1000 |
2000 |
5000 |
|
允许扭转量用等级指数的百分数暗示(%) |
100 |
100 |
100 |
200 |
3、其他参数见表3
表3
|
项目 |
内容 |
|
|
使用环境前提 |
温度(℃) |
-25~+40 |
|
相对湿度(%) |
25-80 |
|
|
手柄转速(r/min) |
150 |
|
|
绝缘电阻(MΩ) |
≥20 |
|
|
电压试验(V) |
500 |
|
|
表形尺寸(l×b×h,,,,,,mm) |
172×116×135 |
|
|
沉量(kg) |
2.0 |
|
1.使用与操作
4.1 使用
4.1.1 丈量接地电阻时接线
E端钮接5m导线,,,,,,P端钮接10m导线,,,,,,C端钮接20m导线,,,,,,导线的另一端别离接被测物接地极E' ,,,,,,电位探棒P'和电流探棒C',,,,,,且E'、P'、C'应维持直线,,,,,,其间距为20m。。。。。。
a. 丈量大于蹬宗1Ω接地电阻时见图1,,,,,,将仪表上2个E端钮衔接在一路。。。。。。
b. 丈量幼于1Ω接地电阻时见图2(合用于ZC29B-2)
将仪表上2个E端钮导线别离衔接到被测接地体上,,,,,,以解除丈量时衔接导线电阻对丈量了局引入的冈蹲泱差。。。。。。
4.1.2 丈量低电阻导体的电阻值接线见图3
将仪表2个E端钮短接在一路,,,,,,P、C两端钮短接在一路,,,,,,而后别离接到被测物。。。。。。
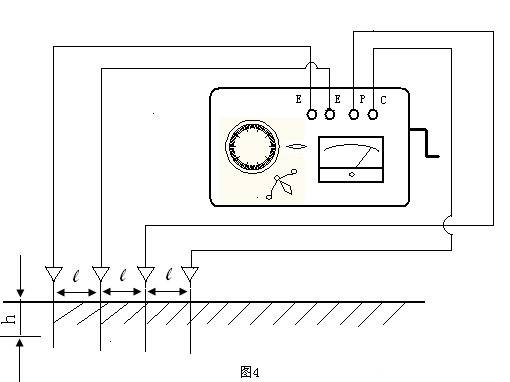
4.1.3 丈量泥土电阻率接线如图4
ZC29B-2型能够丈量泥土电阻率,,,,,,在被测区沿直线埋入地下四根探棒,,,,,,彼此相距为“l”,,,,,,棒的埋入深度h不应超过l/20
所测的泥土电阻率为
ρ=2πlR
式中: R——仪表的读数
l——探棒和探棒间的距离
ρ——该地域的泥土电阻率
上法所得到的电阻率,,,,,,能够近似以为是在被埋入棒之间区域内的均匀泥土电阻率。。。。。。
4.2 操作步骤
a. 仪表端钮接线应正确无误。。。。。。
b. 仪表置于水平后,,,,,,调整检流计的机械零位。。。。。。
c. 将“倍率开关”置于最大倍率,,,,,,逐步加快摇柄转速,,,,,,使其达到150r/min。。。。。。当检流计指针向某一方向偏转时,,,,,,旋动刻度盘,,,,,,使检流计指针指在“0”点。。。。。。此刻刻度盘上读数乘上倍率档即为被测电阻值。。。。。。
d. 如刻度盘读数幼于1时,,,,,,仍未获得平衡,,,,,,可将倍率开关置于幼一档倍率,,,,,,直至调节到齐全平衡为止。。。。。。
e. 若发现仪表检流计指针有抖动景象时,,,,,,可变动摇柄转速,,,,,,以解除抖动景象。。。。。。
f. 若仪表检流计活络度过低,,,,,,可在探棒周围注水或盐水以湿润。。。。。。
5. 当苦衷项
a. 不容在有雷电或被测物带电时进行检测。。。。。。
b. 仪表携带、使用时须幼心轻放,,,,,,预防剧烈震荡。。。。。。
6. 成套性
a. ZC29B型接地电阻测试仪 一台
b. 皮袋 一台
c. 辅助接地助 二根
d. 导线 5m、10m、20m 各一根
e. 附件袋 一只
f. 使用说明书 一份
g. 产品合格证 一份
7. 其他
仪器自用户采办起12个月内,,,,,,用户齐全遵守使用说明书中所划定的使用规定,,,,,,且原出厂封印仍齐全的前提下,,,,,,发现仪器不能正常工作时,,,,,,则造作厂应掌管免费赐与更换或建理,,,,,,并与本厂销售科联系。。。。。。
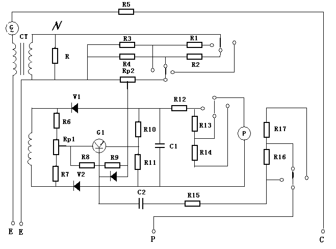
8. 电气道理图
1. 不容在有雷电或被测物带电时进行丈量。。。。。。
2. 进行丈量时,,,,,,要算帐接地线上的油漆和铁锈,,,,,,减幼E—E′端线上的接触电阻。。。。。。
3. 丈量时应把仪表放安稳,,,,,,不使仪表摇摆,,,,,,以使检流计指针安稳地指向“0”。。。。。。
4. 仪表运输须幼心轻放,,,,,,预防剧烈动震荡。。。。。。
